NTJH-4C轮辐式称重传感器 轮辐式重量传感器 轮辐式测力传感器 NTJH-4C轮辐式传感器 轮辐称重传感器 力学传感器 重量传感器 测力传感器。高度低,钢性好,精度高,抗偏载能力强。广泛应用于皮带秤、料斗秤、仓储秤、料罐、材料力学试验机等。
技术参数
额定载荷: 10,20,30,50,100(kN)
综合精度: 0.05~0.1%F.S
灵敏度: 2.0mV/V
蠕变: ±0.05%F·S/30min
零点输出: ±1%F·S
零点温度影响: ±0.05%F·S/10℃
输出温度影响: ±0.05%F·S/10℃
工作温度: -20℃~+65℃
输入阻抗: 380±30Ω或750±50Ω
输出阻抗: 350±3Ω或700±5Ω
绝缘电阻: >5000 MΩ
安全过载: 150%F·S
供桥电压: 建议 10V DC
材质: 合金钢或不锈钢
传感器接线方式:输入+:红 输入-:黑 输出+:绿 输出-:白
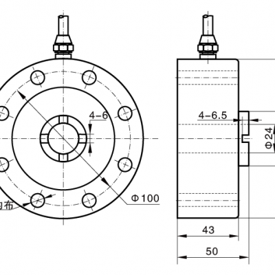
产品外形尺寸
我司主要研发、生产、销售:称重传感器、电力覆冰检测传感器、扭矩传感器、拉力传感器、轴销传感器、压力传感器、拉压力传感器以及相配套测控仪表等产品。传感器支持非标定制,欢迎带图询价或寄样询价,支持中性包装、品牌贴标、激光打标等个性化需求,详情欢迎咨询王工17372255369。



